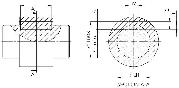
Parallel Key Dimensions (DIN 6885)

Shaft Dimensions:

mm

For Ød1 also check:
ISO Fits and Tolerances
Simple shaft design
Technical Drawing:
Key Dimensions
Show:
d1 (shaft and hub)-
w (on key)-
w (on shaft)-
w (on hub)-
h (on key)-
t1 (on shaft)-
t2 (on hub)-
l (on shaft)-
l (on key)-
sh min (on shaft)-
sh max (on hub)-

This is a notification